


電話:021-66075588
傳真:021-36213039
郵箱:shtlv6@163.com
地址:上海市寶山區(qū)市臺路388號

鑄鐵升降式止回閥 應用于工作溫度≤200℃的水、蒸汽介質的管路上,作防止介質逆流的單向啟閉用。
|
型號 |
公稱 |
試驗壓力 |
工作 |
通用 |
|
|
強度(水) |
密封(水) |
||||
|
H41T-16 |
1.6 |
2.4 |
1.8 |
≤200 |
蒸汽、水 |
|
零件名稱
|
材料
|
|
閥體
|
灰鑄鐵
|
|
閥蓋
|
灰鑄鐵
|
|
閥瓣
|
鑄鐵鐵加黃銅
|
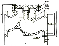
三、鑄鐵升降式止回閥外形尺寸和連接尺寸
|
型號 |
公稱通徑DN(mm) |
尺寸(mm) |
重量(kg) |
|||||||
|
L |
D |
D1 |
D2 |
b-f |
Z-Φd |
H |
S |
|||
|
H41t-16 |
25 |
160 |
115 |
85 |
65 |
16-2 |
4-14 |
65 |
32 |
3 |
|
32 |
180 |
135 |
100 |
78 |
18-2 |
4-18 |
84 |
36 |
4.5 |
|
|
40 |
200 |
145 |
110 |
85 |
18-3 |
4-18 |
96 |
42 |
7 |
|
|
50 |
230 |
160 |
125 |
100 |
20-3 |
4-18 |
115 |
42 |
9.5 |
|
|
65 |
290 |
180 |
145 |
120 |
20-3 |
4-18 |
145 |
50 |
13.5 |
|
|
H41t-16 |
80 |
310 |
195 |
160 |
135 |
22-2 |
8-18 |
156 |
|
24.5 |
|
100 |
350 |
215 |
180 |
155 |
24-3 |
8-18 |
170 |
|
32.5 |
|
|
125 |
400 |
245 |
210 |
185 |
26-3 |
8-18 |
201 |
|
50 |
|
|
150 |
480 |
280 |
240 |
210 |
28-3 |
8-23 |
238 |
|
70 |
|
|
200 |
600 |
335 |
295 |
265 |
30-3 |
12-23 |
245 |
|||
.jpg)